DIN 2 bolt Oval Flange adapters for up to 41.3MPa pressure measuring instruments and flanged-on shut-off devices.
The oval flange adaptor is the connection from tube fittings to a valve block. The oval flange fittings can be adapted to all processes, such as instrumentation controls, pressure shutoff valves, engine fuel line and pump motor exhaust etc.
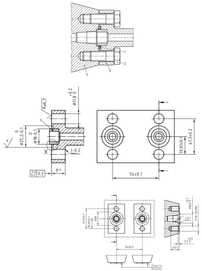
From Adapter connection to oval flange dimensions as per the related standards as follows:
Oval Flange end is according to DIN EN 61518-A
Tube adapter stud connections is choosed by customers’ need:
Taper thread port connection: NPT thread, BSPT thread, Metric taper thread.
O-ring seal port connections: metric thread ISO 6149-1, UNF thread SAE J1926-1, BSPP thread BS 5380 and JIS B2351.
Flat face seal port connections: BSPP thread DIN 3852-1 / ISO 1179-1 and Metric thread DIN 3852-1 / ISO 9974-1.
Tube fittings connections is options as follows:
24 degree cone tube fittings DIN 2353 / ISO 8434-1.
37 degree flared tube fittings JIC SAE J514 / ISO 8434-2.
O-ring face seal tube fittings SAE J1453 / ISO 8434-3.
60 degree cone tube connectors BS 5200 / ISO 8434-6
DIN 2 bolt oval flange adapters to Manifold/Transmitter mounting according to EN 61518
Material of oval flange adapers is availabe in 316 or 316L stainless steel, C25 or C45 carbon steel.
Customs traff number (HS code) is 902690
The flange connections described above are only operated within the limits of pressure and temperature set for the assembly of measuring instruments and locking devices.
Type B Flange connections of oval flange adapters

Type A flange connection of DIN 2 bolt oval flange adapters

Hot Tags: oval flange adaptor, China, manufacturers, suppliers, custom, brass, swagelok, Parker, Stauff, Brennan, stainless steel












